自吸泵葉輪在經過長久的磨損后,有些葉輪銹死是不能從葉輪上取下來的就需要進行換泵頭處理。自吸泵葉輪在正常情況下是可以取下來的,以下講解自吸泵葉輪取下來的經過。
自吸泵葉輪是自吸水泵的核心部件之一,也常被人們稱之為“心臟”可見其的重要性。自吸離心泵之所以出力大、轉速高,這是和自吸泵的葉輪是分不開的。自吸泵使用時間過長就會導致里面的葉輪出現磨損和生銹的情況。這就需要我們對自吸泵的葉輪進行更換,針對自吸泵葉輪拆卸沒有專業的技術不建議您自行拆卸,可以聯系專業的水泵維修人員去進行拆卸工作。這時由于拆卸工作不是很難,困難的是進行組裝工作。在安裝葉輪時需要用戶有一定的技術能力,假如葉輪間隙太大或者太小均會影響到自吸泵的出水和轉速。下面講解自吸泵葉輪的拆卸方法。
通常是將泵體拆開接著在葉輪的底部會有頂絲,是直接擰在軸上的只需要直接將其擰下來,但是拆卸過程比較困難可以用套管扳手將其擰下來,再用工具扣住葉輪的邊轉動頂軸葉輪就能輕松的拆卸下來。
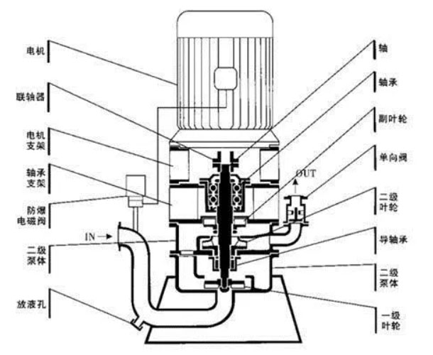
自吸泵葉輪的拆卸
(1)將吐出側軸承壓蓋上的螺栓擰下來,再把軸承部件的吐出段、填料函體、軸承體三個件之間的連接螺母拆卸下來。
(2)將軸上的圓螺母擰下來,接著取下軸承內圈、軸承壓蓋、擋套后,再把填料體依次拆卸下來。
(3)將軸上的O型密封膠圈、平衡盤、軸套、鍵依次取下來,再把吐出段的導葉和平衡環取下來。
(4)將末級葉輪與鍵取下后,再把中段取下。按照同樣的方法繼續把其他各級的葉輪、中段、導葉、直到末級葉輪為止。
(5)將吸水段和軸承體的連接螺母與軸承壓通上的螺栓擰下后,再把軸承部件取下來。
(6)把軸從吸入段抽出再把軸上的固定螺母擰下,接著把軸承內圈、軸套、O型密封圈、擋套等取下。
(7)取下自吸泵葉輪時,需要測量轉子軸向竄動量與徑向跳動量,測量時需要進行記錄工作。轉子轉動一圈,同一側點的較大值到較小值是該點的跳動量。
(8)將葉輪背帽進行拆卸再把葉輪取下,拆卸前應該仔細查看背帽的轉向,禁止反向用力損害背帽。葉輪用撬杠撬下時應該撬在葉輪的肋板處,防止將葉輪撬裂。查看葉輪背帽應該沒有咬合與滑絲的情況,假如有應該立刻修復并且進行更換。
(9)將葉輪導向平鍵拆卸時,查看平鍵外觀應該沒有明顯的缺失與變形,與鍵槽的配合應該要符合規定要求,假如沒有應該進行修理或者更換葉輪。
自吸泵葉輪怎么取下來的由水泵廠家總結。推薦閱讀:自吸泵吸程可達多少米?



